Analog Panel Meters - ST95 & ST125 Series

General Specifications

Size ST95 - 3.5"
ST125 - 4.5"
Accuracy All AC & DC Iron Vane +/- 2% of Full Scale
All AC Rectifier Type +/-3% of Full Scale
All Frequency Type +/-0.3HZ
Overload All AC & DC Voltmeters - 50% Momentary / 20% Prolonged
All AC & DC Ammeters - 50% Momentary / 20% Prolonged
All Frequency Type - 20% Maximum
Burden AC Ammeters - 0.5VA Maximum
Standards ANSI C39.1
Approvals CE

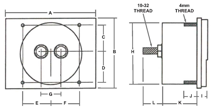
Dimensions

ST95

ST125

Models A B C D E F G H I J K L
ST95 3.7 2.87 1.12 1.12 1.12 1.12 1.10 2.64 0.41 0.51 1.29 0.47
ST125 5.08 3.96 2.03 1.52 1.99 1.99 1.10 2.64 0.51 0.51 1.29 0.47

Standard Part Numbers


3.5" AC Voltmeters
Model Input Scale
ST95150V150V 0-150V, AC 0-150V, AC
ST95300V300V 0-300V, AC 0-300V, AC
ST95600V600V 0-600V, AC 0-600V, AC
ST95150V600V 0-150V, AC 0-600V, AC
ST95300V600V 0-300V, AC 0-600V, AC
ST95150V*V 0-150V, AC 0-*V, AC
Note: * = advise desired PT ratio / end scale value.Note: Also available in moving coil rectifier type. Please consult with factory.

4.5" AC Voltmeters
Model Input Scale
ST125150V150V 0-150V, AC 0-150V, AC
ST125300V300V 0-300V, AC 0-300V, AC
ST125600V600V 0-600V, AC 0-600V, AC
ST125150V600V 0-150V, AC 0-600V, AC
ST125300V600V 0-300V, AC 0-600V, AC
ST125150V*V 0-150V, AC 0-*V, AC
Note: * = advise desired PT ratio / end scale value.Note: Also available in moving coil rectifier type. Please consult with factory.

3.5" DC Voltmeters
Model Input Scale
ST95DC30V30V 0-30V, DC 0-30V, DC
ST95DC50V50V 0-50V, DC 0-50V, DC
ST95DC100V100V 0-100V, DC 0-100V, DC
ST95DC150V150V 0-150V, DC 0-150V, DC
ST95DC300V300V 0-300V, DC 0-300V, DC

4.5" DC Voltmeters
Model Input Scale
ST125DC30V30V 0-30V, DC 0-30V, DC
ST125DC50V50V 0-50V, DC 0-50V, DC
ST125DC100V100V 0-100V, DC 0-100V, DC
ST125DC150V150V 0-150V, DC 0-150V, DC
ST125DC300V300V 0-300V, DC 0-300V, DC

3.5" AC Ammeters
Model Input Scale
ST955A50A 0-5A, AC 0-50A, AC
ST955A100A 0-5A, AC 0-100A, AC
ST955A150A 0-5A, AC 0-150A, AC
ST955A200A 0-5A, AC 0-200A, AC
ST955A*A 0-5A, AC 0-*A, AC
Note: * = advise desired CT ratio / end scale value.

4.5" AC Ammeters
Model Input Scale
ST1255A50A 0-5A, AC 0-50A, AC
ST1255A100A 0-5A, AC 0-100A, AC
ST1255A150A 0-5A, AC 0-150A, AC
ST1255A200A 0-5A, AC 0-200A, AC
ST1255A*A 0-5A, AC 0-*A, AC
Note: * = advise desired CT ratio / end scale value.

3.5" Frequency Meters
Model Input Scale
ST95HZ55651 120V, AC 55-65HZ
ST95HZ45651 120V, AC 45-65HZ
ST95HZ45551 120V, AC 45-55HZ
ST95HZ55652 240V, AC 55-65HZ
ST95HZ45652 240V, AC 45-65HZ
ST95HZ45552 240V, AC 45-55HZ

4.5" Frequency Meters
Model Input Scale
ST125HZ55651 120V, AC 55-65HZ
ST125HZ45651 120V, AC 45-65HZ
ST125HZ45551 120V, AC 45-55HZ
ST125HZ55652 240V, AC 55-65HZ
ST125HZ45652 240V, AC 45-65HZ
ST125HZ45552 240V, AC 45-55HZ

3.5" DC Indicators
Model Input Scale
ST95DC50mV/*** 0-50mV, DC 0-***
ST95DC1mA/*** 0-1mA, DC 0-***
ST95DC420mA/*** 4-20mA, DC 0-***
ST95DC****V/*** 0-****V, DC 0-***
Note: *** = advise end scale value and caption.
Note: **** = advise end scale voltage input.


4.5" DC Indicators
Model Input Scale
ST125DC50mV/*** 0-50mV, DC 0-***
ST125DC1mA/*** 0-1mA, DC 0-***
ST125DC420mA/*** 4-20mA, DC 0-***
ST125DC****V/*** 0-****V, DC 0-***
Note: *** = advise end scale value and caption.
Note: **** = advise end scale voltage input.

Available Options

Panel Gaskets, NEMA4, Rectifier Movements ( 25 - 1000HZ ), Improved Accuracy, Colored Dials, Custom Artwork, Customer Logos, etc.

Specifications

PC&S believes in continuous product development and reserves the right to modify and alter the specifications without notice.

Warranty

PC&S, at its sole discretion, agrees to repair, or replace, or refund the purchase price of the products contained herein that are found to be defective in material or workmanship, or do not conform to specifications, if written notice is received by PC&S within 1 year from date of shipment. PC&S assumes no liability, expressed or implied beyond the obligation to repair, replace, or refund the purchase price of the defective material.


What are you looking for? | Let us help | 800-523-9194 | request@pc-s.com
What is your Challenge,
Need Description or Goal?
*First & Last Name:  
*E-Mail & Phone:  
*Company:
Address:
*City & State:  
*Zip Code & Country:  
Much appreciated...what engine,
site, or source referred you?
Searched words or other?